【タイヤ点検】タイヤ交換のセカンドオピニオン タイヤのプロが点検します!!
こんにちは、愛知県春日井市にある。
タイヤ館高蔵寺です。
ご近所の春日井市だけでなく、
名古屋市守山区、小牧市、尾張旭市、瀬戸市、岐阜県多治見市などからも
ご来店いただきまして、ありがとうございます!
[タイヤ館高蔵寺アクセスMAP]
↓
タイヤ交換のセカンドオピニオンについて
最近、カーディーラーさんや
ガソリンスタンドさんで
「そろそろタイヤ交換時期です。」
や
「タイヤにひび割れがあり危険です。」など
言われたことないですか?
そう言われて心配になり
ご来店される
お客様が多くなっています。
お客様のタイヤを
ご一緒に見させて頂くと
確かに
交換した方がいいタイヤ
もあれば
まだ、ご使用できるタイヤも
中にはあります。
タイヤ館はタイヤ専門店で
タイヤのプロがしっかりと
点検させて頂いております。
まだタイヤ交換が必要ないお客様にも
お客様のお車の使用状況や走行距離などを
お聞きして
次回のタイヤ交換時期を
お伝えさせて頂いております。
点検のご予約はこちら↓↓↓
タイヤ館のタイヤ点検について
タイヤ館では
専門の器具を使用して、
お客様のタイヤを一本一本点検します。
また、見た目ではわかりづらい異常も
触診(さわってチェックすること)
で見逃しません。
タイヤ点検とはこちら↓↓↓
残溝の測定
残溝があとどれくらいあるか点検します。
すり減ったタイヤで走行すると
雨の日にハンドルもブレーキも
効かなくなること
(ハイドロプレーニング現象)
があります。
※タイヤ館では
のぞき込んだだけではなかなか見にくいので、
ハンドルを切った状態で点検します。
タイヤの内側の溝までしっかりと点検いたします。
〇タイヤの溝に関する詳しいことはこちら
空気圧の点検
お客様のタイヤが適正空気圧に
なっているか点検します。
空気圧不足のまま走行すると、
燃費悪化、走行性能低下、偏摩耗へと
つながってしまいます。
〇タイヤの空気圧について詳しくはこちら
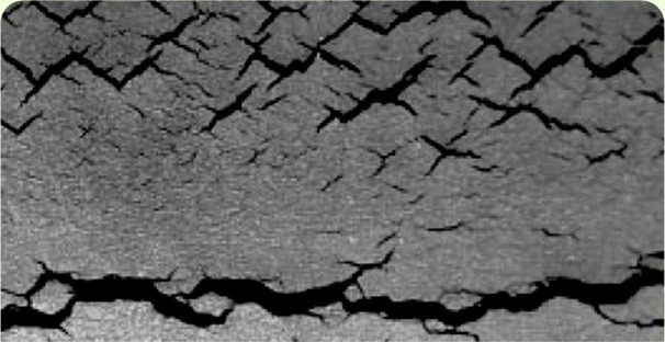
ひび割れ・キズの確認
キズやヒビの危険度を点検します。
状態によってはバースト(破裂)の
危険がある場合もあるので、
縁石に強くこすってしまった時
などは点検が必要です。
〇タイヤのひび割れ・キズに関する
詳しいことはこちら
偏摩耗の確認
タイヤのすり減り方を点検します。
空気圧や、タイヤの取付角度が適性でないと
偏ってすり減る(偏摩耗)場合があります。
タイヤ寿命が短くなり、
振動・騒音の発生原因となります。
〇偏摩耗に関する詳しいことはこちら
※タイヤ館ではこちらの点検を
無料点検しています。
診断書
タイヤ点検をさせていただいた
お客様のタイヤの現状を
診断書として発行させていただき、
お客様にお渡しさせていただいております。
点検のご予約はこちら↓↓↓
「ガソリンスタンドでそろそろタイヤ交換時期」
って言われたけど本当?
「最近、タイヤのヒビが気になるけど」
これ大丈夫?
などタイヤ・車についての
不安・心配な事、気になること
なんでもご相談ください。
タイヤのプロがアドバイスさせて頂きます。
24時間予約が出来るネット予約などもタイヤ館はございます。
WEB予約からはこちら
タイヤ館高蔵寺ではお得なWEBクーポンをご用意しています!
こちらをクリック
WEBにてメール・オンライン相談もできます
こちらをクリック
タイヤ館 高蔵寺
住所:487-0025
愛知県春日井市出川町2丁目21番地14




